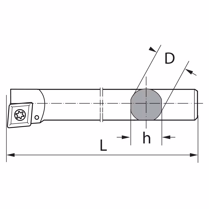
Vnútorný sústružnícky nástroj 93°
: CKUNR40
Utensile per interno 93° je profesionálny vnútorný sústružnícky nástroj so sklonom 93°, určený na presné obrábanie otvorov, drážok a vnútorných priemerov. Je ideálny pre kovovýrobu, dielne a priemyselné CNC aj konvenčné sústruhy.
Vnútorný sústružnícky nástroj 93° zabezpečuje stabilný rez, kvalitný povrch a opakovateľnú presnosť pri obrábaní ocele, zliatin aj neželezných kovov.
- Optimalizovaný 93° uhol pre efektívne vnútorné sústruženie a dobrý odvod triesky.
- Vhodný pre profesionálne dielne, údržbu strojov a sériovú strojársku výrobu.
- Presné obrábanie otvorov s dôrazom na kvalitu povrchu a dlhú životnosť nástroja.
- Univerzálne použitie v kovovýrobe, opravárenských a nástrojárskych prevádzkach.
CKUNR40
Centrálny sklad
Centrálny sklad
Centrálny sklad
258.30 undefined
Centrálny sklad
3,61 kg
8012667005207
BASECKJNR
246.00 undefined
Centrálny sklad
0,40 kg
8012667005214
BASECKJNR
215.30 undefined
Centrálny sklad
1,13 kg
8012667256746
BASECKJNR
5.0/5
(0 )
5
4
3
2
1


















































